A G403 forged jaw end chain swivel (US type) is a specific type of rigging hardware, designed to connect chains to other points or anchors. It features a jaw end on one side, which can be connected to a clevis pin and a ring or eye on the other side, allowing for easy attachment and rotation to prevent chain twisting and knotting. These swivels are typically made from drop-forged, galvanized carbon steel, and are used in various applications like rigging, marine hardware, and lifting systems.
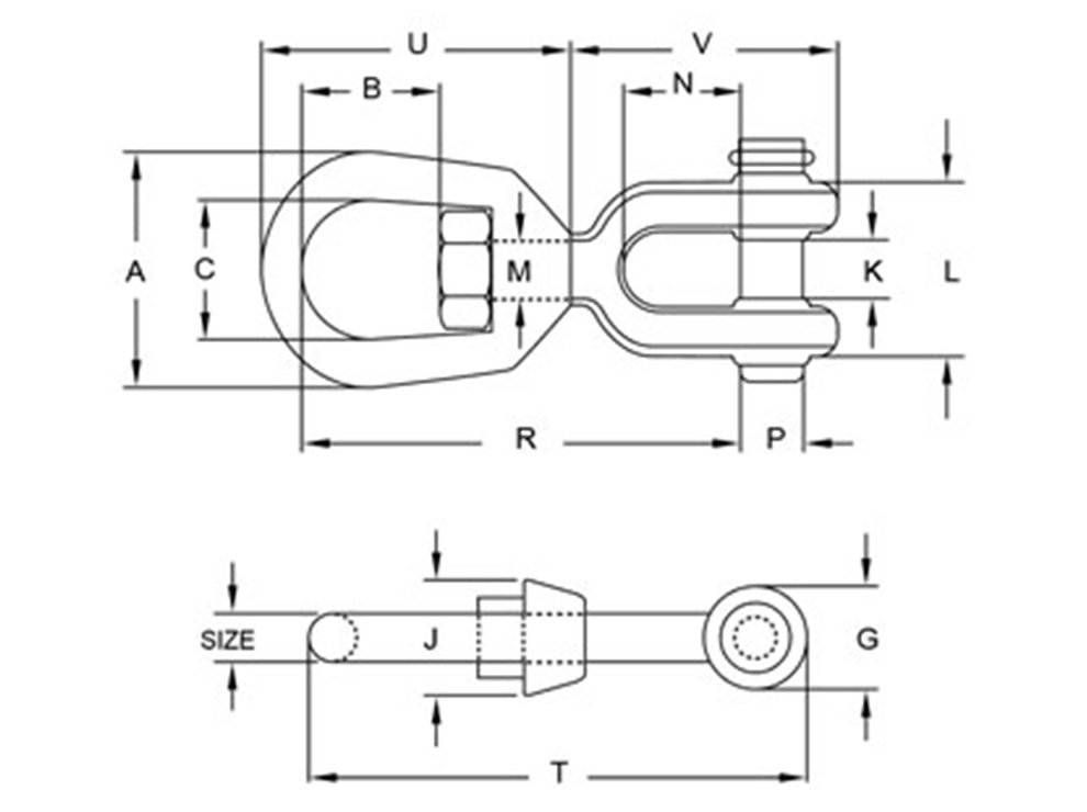
US G403 Jaw End Swivel Diagram:

Specification of US G403 Jaw End Swivel:
| Working Load Limit | Weight | Dimensions(in) |
| (Ton) | (kg) | A | B | C | G | J | K | L | M | N | P | R | U | V |
| 0.39 | 0.10 | 1.25 | 0.69 | 0.75 | 0.69 | 0.69 | 0.47 | 1.03 | 0.31 | 0.88 | 0.25 | 2.63 | 1.69 | 1.69 |
| 0.57 | 0.15 | 1.63 | 0.81 | 1.00 | 0.81 | 0.81 | 0.50 | 1.13 | 0.38 | 0.88 | 0.31 | 2.94 | 2.06 | 1.81 |
| 1.02 | 0.30 | 2 | 0.94 | 1.25 | 1.00 | 1.00 | 0.63 | 1.14 | 0.50 | 1.06 | 0.38 | 3.63 | 2.5 | 2.25 |
| 1.63 | 0.61 | 2.5 | 1.31 | 1.50 | 1.31 | 1.31 | 0.75 | 1.75 | 0.63 | 1.31 | 0.5 | 4.5 | 3.19 | 2.88 |
| 2.36 | 1.12 | 3 | 1.56 | 1.75 | 1.63 | 1.50 | 0.94 | 2.06 | 0.75 | 1.5 | 0.63 | 5.31 | 3.88 | 3.44 |
| 3.27 | 1.76 | 3.5 | 1.75 | 2.00 | 1.88 | 1.88 | 1.13 | 2.53 | 0.88 | 1.75 | 0.75 | 6.06 | 4.31 | 4 |
| 4.54 | 2.66 | 4 | 2.06 | 2.25 | 2.13 | 2.13 | 1.34 | 2.79 | 1.00 | 2.06 | 0.88 | 7 | 5 | 4.53 |
| 5.67 | 4.46 | 4.5 | 2.31 | 2.50 | 2.63 | 2.88 | 1.75 | 3.72 | 1.13 | 2.81 | 1.13 | 8.56 | 5.75 | 5.94 |
| 8.16 | 7.14 | 5.69 | 2.69 | 3.13 | 3.13 | 3.00 | 2.06 | 4.31 | 1.63 | 2.81 | 1.38 | 9.75 | 7.06 | 6.38 |
| 20.50 | 24.83 | 7 | 3.88 | 4.00 | 5.63 | 4.00 | 2.88 | 6.00 | 2.25 | 4.44 | 2.25 | 14.25 | 10 | 10.84 |