DIN81902 Roller Fairlead is a common marine mooring and towing equipment. It is made of 4 rollers and is divided into 2 vertical rollers and 2 horizontal rollers. It is designed according to DIN81902 standard, made of high quality cast steel or cast iron, with a weight range of 30-2200KG, and can generate a towing force of 10-320KN.
DIN81902 Roller Fairlead is typically welded to the gangway or deck, and is mainly used to guide the mooring rope from the inside to the outside of the ship. The roller is made of bronze steel bearing and grease lubrication, and coated with corrosion protection, which can reduce the wear of the roller mooring rope fixed around the roller fairlead.
SMEOCEAN is a professional marine equipment supplier, we can provide a full range of roller fairleads. In addition, we can provide roller fairlead according to JISF, DIN and GB standards with CCS, ABS, DNV, RINA, LR and other certificates. We can also customize these products according to customer requirements.
Features of DIN81902 Roller Fairlead:
Strong construction, very durable.
Smooth surface, which can effectively reduce the wear of mooring rope.
The surface is also coated with anti-rust paint, which has good anti-corrosion performance.
Long service life, not easy to damage.
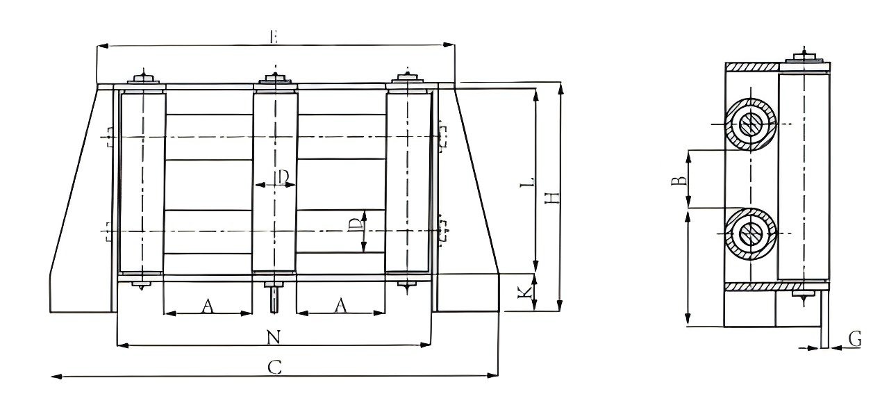
Drawings of German Standard Four-Roller Fairlead:

Specification of German Standard Four-Roller Fairlead:
| Diameter | Diameter(mm) | Weight |
| (mm) | A | B | C | D | E | F | G | H | I | K | L | (kg) |
| -12 | 180 | 100 | 650 | 80 | 446 | 170 | 10 | 465 | 208 | 80 | 356 | 75 |
| -16 | 230 | 130 | 800 | 100 | 546 | 210 | 10 | 575 | 258 | 100 | 446 | 130 |
| -20 | 250 | 130 | 900 | 120 | 626 | 250 | 15 | 655 | 308 | 120 | 506 | 220 |
| -24 | 280 | 160 | 1000 | 140 | 716 | 290 | 20 | 730 | 328 | 120 | 576 | 330 |
| -32 | 300 | 160 | 1200 | 180 | 836 | 366 | 25 | 855 | 398 | 140 | 676 | 580 |
| -40 | 320 | 180 | 1350 | 245 | 1030 | 500 | 35 | 1045 | 5050 | 180 | 830 | 1100 |
| -48 | 400 | 250 | 1700 | 300 | 1236 | 610 | 45 | 1260 | 583 | 200 | 1016 | 2210 |